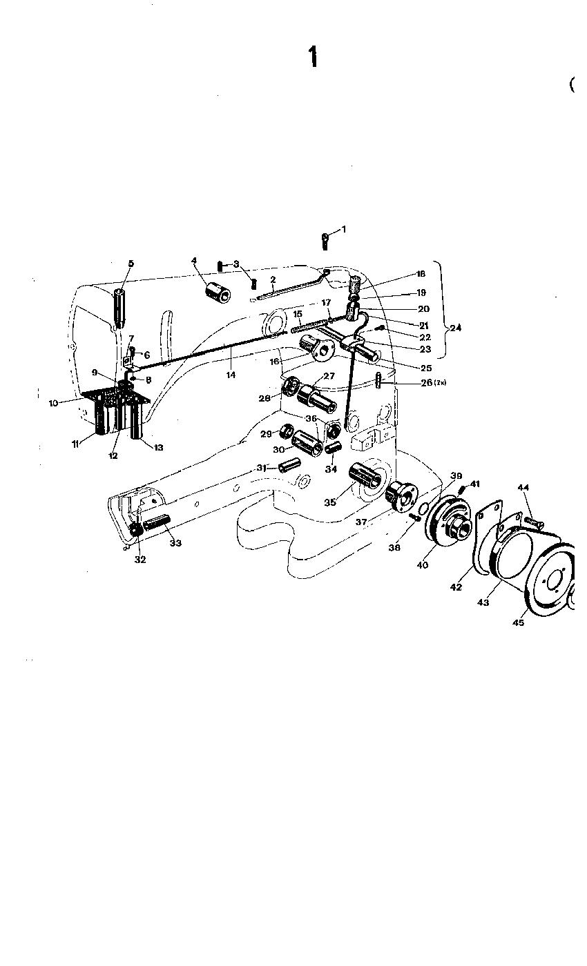
Union Special 31200 Bushings Parts List

Click HERE to return to the Table Of Contents

 




 

HOME SEWING ROOM CUTTING ROOM PARTS ROOM LIQUIDATE WAREHOUSE SCREEN PRINT CONTACT US