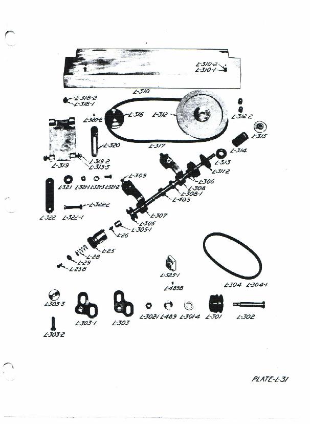
Utica Spreading Machine
Plate # L-31
Power Drive Assembly


HOME SEWING ROOM CUTTING ROOM PARTS ROOM LIQUIDATE WAREHOUSE SCREEN PRINT CONTACT US